ГОСТ 10180-90
Бетоны. Методы определения прочности по контрольным образцам
| Опубликован | ЦИТП Госстроя СССР № 1990 |
| Утверждён | 29 декабря 1989 г. Госстрой СССР |
| Разработан | ГПИ Ленпромстройпроект СП "Гормост" концерн "Химнефтемаш" |
| Вместо | ГОСТ 10180-78 |

ГОСУДАРСТВЕННЫЙ СТАНДАРТ СОЮЗА ССР
БЕТОНЫ
МЕТОДЫ ОПРЕДЕЛЕНИЯ ПРОЧНОСТИ
ПО КОНТРОЛЬНЫМ ОБРАЗЦАМ
ГОСТ 10180-90
(СТ СЭВ 3978-83)
ГОСУДАРСТВЕННЫЙ СТРОИТЕЛЬНЫЙ КОМИТЕТ СССР
МОСКВА
|
БЕТОНЫ Методы определения прочностипо контрольным образцам ConcretesMethods for strength determination using reference specimens |
ГОСТ 10180-90 (СТ СЗВ 3978-83) |
Дата введения 01.01.91
Настоящий стандарт распространяется на бетоны всех видов по ГОСТ 25192, применяемые во всех областях строительства.
Стандарт устанавливает методы определения предела прочности (далее - прочности) бетонов на сжатие, осевое растяжение, растяжение при раскалывании и растяжение при изгибе путем разрушающих кратковременных статических испытаний специально изготовленных контрольных образцов бетона.
Стандарт не распространяется на специальные виды бетонов, для которых предусмотрены другие стандартизированные методы определения прочности.
При производственном контроле прочности бетона стандарт следует применять с учетом требований ГОСТ 18105, в котором установлены правила оценки прочности бетона в конструкциях на основе результатов испытаний образцов бетона по настоящему стандарту.
Стандарт соответствует СТ СЭВ 3978. Степень соответствия приведена в приложении 1.
1. СУЩНОСТЬ МЕТОДОВ
Определение прочности бетона состоит в измерении минимальных усилий, разрушающих специально изготовленные контрольные образцы бетона при их статическом нагружении с постоянной скоростью роста нагрузки и последующем вычислении напряжении при этих усилиях в предположении упругой работы материала.
2. КОНТРОЛЬНЫЕ ОБРАЗЦЫ БЕТОНА
2.1. Форма, размеры и число образцов
2.1.1. Форма и номинальные размеры образцов в зависимости от метода определения прочности бетона должны соответствовать указанным в табл. 1.
Таблица 1
|
Метод
|
Форма образца |
Размеры образца, мм |
|
Определение прочности на сжатие и на растяжение при |
Куб |
Длина ребра: 100; 150; 200; 300 |
|
раскалывании |
Цилиндр |
Диаметр d: 100; 150; 200; 300 |
|
|
|
Высота h, равная 2d
|
|
Определение прочности на осевое растяжение |
Призма квадратного сечения |
100Х100Х400 150Х150Х600 200Х200Х800 |
|
|
Цилиндр |
Диаметр d: 100; 150; 200; 300 |
|
|
|
Высота h, равная 2d
|
|
Определение прочности на растяжение при изгибе и при раскалывании
|
Призма квадратного сечения |
100Х100Х400 150Х150Х600 200Х200Х800 |
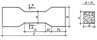
Допускается применять:
кубы с ребром длиной 70 мм;
призмы размером 70Х70Х280 мм, цилиндры диаметром 70 мм;
цилиндры высотой, равной соответствующему диаметру, при определении прочности на растяжение при раскалывании и высотой, равной четырем диаметрам при определении прочности на осевое растяжение;
восьмерки по черт. 1 и табл. 2 при определении прочности на осевое растяжение;
половинки образцов-призм, полученных после испытания на растяжение при изгибе образцов-призм, для определения прочности бетона на сжатие;
кубы, изготовленные в неразъемных формах с технологическим уклоном.

Черт. 1
Таблица 2
|
Обозначение |
Значение при поперечном сечении образца, мм |
|||
|
размера |
70Х70 |
100Х100 |
150Х150 |
200Х200 |
|
a |
70 |
100 |
150 |
200 |
|
b |
100 |
150 |
250 |
350 |
|
l |
490 |
700 |
1050 |
1400 |
|
l1 |
210 |
300 |
450 |
600 |
|
l2 |
45 |
65 |
110 |
160 |
|
l3 |
95 |
135 |
180 |
250 |
За базовый образец при всех видах испытаний следует принимать образец с размером рабочего сечения 150Х150 мм.
2.1.2. Размеры образцов в зависимости от наибольшей номинальной крупности заполнителя в пробе бетонной смеси должны соответствовать указанным в табл. 3.
Таблица 3
мм
|
Наибольший номинальный размер зерна заполнителя |
Наименьший размер образца (ребра куба, стороны поперечного сечения призмы или восьмерки, диаметра и высоты цилиндра) |
Наибольший номинальный размер зерна заполнителя |
Наименьший размер образца (ребра куба, стороны поперечного сечения призмы или восьмерки, диаметра и высоты цилиндра) |
|
20 и менее |
100 |
70 |
200 |
|
40 |
150 |
100 |
300 |
Примечания: 1. Для испытания конструкционно-теплоизоляционного и теплоизоляционного бетонов класса В5 (М75) и менее на пористых заполнителях (независимо от наибольшей крупности заполнителя) следует применять образцы с наименьшим размером 150 мм.
2. При изготовлении образцов из бетонной смеси должны быть удалены отдельные зерна крупного заполнителя, размер которых превышает более чем в 1,5 раза наибольший номинальный размер заполнителя, указанный в табл. 3, а также все зерна заполнителя размером более 100 мм.
3. При изготовлении образцов с минимальным размером 70 мм максимальная крупность заполнителя не должна превышать 20 мм.
2.1.3. Образцы изготавливают и испытывают сериями.
Число образцов в серии
(кроме ячеистого бетона) принимают по табл. 4
в зависимости от среднего внутрисерийного коэффициента вариации прочности
бетона
рассчитываемого по приложению 2 не реже одного
раза в год. Для ячеистого бетона число образцов в серии принимают равным 3.
Таблица 4
|
Внутрисерийный
коэффициент вариации |
5 и менее |
Более 5 до 8 включ. |
Более 8 |
|
Требуемое число образцов бетона в серии шт., не менее
|
2 |
3* или 4 |
6 |
_____________
* При применении форм типа 2ФК принимают четыре образца в серии, а для форм типа 1ФК и 3ФК - три образца.
2.1.4. Отклонения от плоскостности опорных поверхностей кубов и цилиндров, прилегающих к плитам пресса, не должны превышать 0,1 мм.
2.1.5. Отклонения от прямолинейности образующей образцов-цилиндров, предназначенных для испытания на раскалывание, не должны превышать 0,1 мм.
2.1.6. Отклонения от перпендикулярности смежных граней кубов и призм, а также опорных поверхностей и образующих цилиндров, предназначенных для испытания на сжатие, не должны превышать 1 мм.
2.2. Отбор проб и изготовление образцов
2.2.1. Пробы бетонной смеси для изготовления контрольных образцов при производственном контроле прочности бетона следует отбирать в соответствии с требованиями ГОСТ 10181.0.
2.2.2. Пробы бетонной смеси для изготовления контрольных образцов, предназначенных для лабораторных исследований, при подборе состава бетона, обосновании норм расхода цемента, изучении влияния на свойства бетонов различных технологических факторов и для других целей следует отбирать из специально изготовленных лабораторных замесов бетонной смеси.
2.2.3. Объем пробы бетонной смеси должен превышать требуемый для изготовления всех серий контрольных образцов не менее чем в 1,2 раза.
Отобранная проба бетонной смеси должна быть дополнительно вручную перемешана перед формованием образцов.
Бетонные смеси, содержащие воздухововлекающие и газообразующие добавки, а также предварительно разогретые смеси перед формованием образцов дополнительно перемешивать не следует.
2.2.4. Образцы следует изготавливать в поверенных формах, соответствующих требованиям ГОСТ 22685.
Перед использованием форм их внутренние поверхности должны быть покрыты тонким слоем смазки, не оставляющей пятен на поверхности образцов и не влияющей на свойства поверхностного слоя бетона.
2.2.5. Укладку и уплотнение бетонной смеси следует производить не позднее, чем через 20 мин после отбора пробы.
2.2.6. При изготовлении одной или нескольких серий образцов, предназначенных для определения различных характеристик бетона, все образцы следует изготавливать из одной пробы бетонной смеси и уплотнять их в одинаковых условиях. Отклонения между собой значений средней плотности бетона отдельных серий и средней плотности отдельных образцов в каждой серии к моменту их испытания не должны превышать 50 кг/м3.
При несоблюдении этого требования результаты испытаний не учитывают.
2.2.7. При производственном контроле формование контрольных образцов, а также контрольных блоков из ячеистых бетонов следует производить по той же технологии, и с теми же параметрами уплотнения, что и конструкции.
2.2.8. Образцы из тяжелого и легкого бетонов при лабораторных исследованиях, а также при производственном контроле в случаях, когда условия пункта 2.2.7 не могут быть выполнены, формуют следующим образом:
формы заполняют бетонной смесью слоями высотой не более 100 мм. Каждый слой укладывают штыкованием стальным стержнем диаметром 16 мм с закругленным концом. Число нажимов стержня рассчитывают из условия, чтобы один нажим приходился на 10 см2 верхней открытой поверхности образца, штыкование выполняют равномерно по спирали от краев формы к ее середине.
При подвижности бетонной смеси менее 10 см или жесткости менее 11 с форму с уложенной бетонной смесью жестко закрепляют на лабораторной виброплощадке и дополнительно уплотняют, вибрируя до полного уплотнения, характеризуемого прекращением оседания бетонной смеси, выравниванием ее поверхности, появлением на ней тонкого слоя цементного теста и прекращением выделения пузырьков воздуха.
При изготовлении образцов из бетонной смеси жесткостью 11 с и более на форме закрепляют насадку. Форму с насадкой жестко закрепляют на лабораторной виброплощадке и устанавливают на поверхность смеси пригруз, обеспечивающий давление 4±0,5 кПа, и вибрируют до прекращения оседания пригруза плюс дополнительно 5 - 10 с.
После окончания укладки и уплотнения бетонной смеси в форме верхнюю поверхность образца заглаживают мастерком или пластиной.
2.2.9. В случаях применения на производстве способов и режимов уплотнения бетона, приводящих к изменению его состава, способ изготовления контрольных образцов бетона или поправочный коэффициент к прочности образцов должен быть указан в стандартах или технических условиях на сборные конструкции или в рабочих чертежах монолитных конструкций.
2.2.10. Образцы в цилиндрических формах после заглаживания верхней поверхности закрывают крышками, кладут на боковую сторону и хранят в таком положении до распалубливания.
2.2.11. Образцы из ячеистого или других бетонов выпиливают или выбуривают из контрольных неармированных блоков, изготовленных одновременно с изделиями из той же бетонной смеси, или из готовых изделий после их остывания, или эксплуатируемых конструкций по ГОСТ 28570.
Контрольные блоки из ячеистого бетона должны иметь следующие размеры (черт. 2).
При горизонтальном формовании изделий:
длину и ширину - не менее 400 мм;
высоту, равную толщине изделия.
При вертикальном формовании изделий:
длину - не менее 400 мм;
высоту и толщину, равные высоте и толщине изделия.
СХЕМЫ ВЫПИЛИВАНИЯ И ВЫБУРИВАНИЯ
ОБРАЗЦОВ ЯЧЕИСТОГО БЕТОНА, мм
При горизонтальном формовании изделия

При вертикальном формовании изделия

Черт. 2
Образцы выпиливают или выбуривают из средней части изделия или контрольного блока по схеме, приведенной на черт. 2.
Образцы выпиливают или выбуривают без увлажнения, отступив от граней изделия или блока не менее чем 20 мм.
Допускается при подборе состава ячеистого бетона, а для пенобетона и при производственном контроле прочности, изготавливать контрольные образцы в формах по п.п. 2.2.7 -2.2.9.
2.2.12. Непосредственно после изготовления образцов на них должна быть нанесена маркировка. Маркировка не должна повреждать образец или влиять на результаты испытания.
2.3.Твердение, хранение и транспортирование образцов
2.3.1. Способ и режим твердения образцов бетона, предназначенных для производственного контроля прочности, следует принимать по ГОСТ 18105.
2.3.2. Образцы, предназначенные для твердения в нормальных условиях, после изготовления до распалубливания хранят в формах, покрытых влажной тканью или другим материалом, исключающим возможность испарения из них влаги, в помещении с температурой воздуха (20±5)°С.
При определении прочности бетона на сжатие образцы распалубливают не ранее чем через 24 ч для бетонов класса в7,5 (М100) и выше, и не ранее чем через 48 ч - для бетонов класса В5 (М75) и ниже, а также для бетонов с добавками, замедляющими их твердение в раннем возрасте.
При определении прочности бетона на растяжение образцы распалубливают не ранее чем через 96 ч после их изготовления.
После распалубливания образцы должны быть помещены в камеру, обеспечивающую у поверхности образцов нормальные условия, т. е. температуру (20±3)°С и относительную влажность воздуха (95±5)%. Образцы укладывают на подкладки так, чтобы расстояние между образцами, а также между образцами и стенками камеры было не менее 5 мм. Площадь контакта образца с подкладками, на которых он установлен, не должна составлять более 30 % площади опорной грани образца. Образцы в камере нормального твердения не должны непосредственно орошаться водой. Допускается хранение образцов вод слоем влажных песка, опилок или других систематически увлажняемых гигроскопичных материалов.
Образцы, предназначенные для твердения в условиях тепловой обработки, должны быть помещены в формах в тепловой агрегат (пропарочную камеру, автоклав, отсек формы или кассеты и т.д.) и твердеть там вместе с конструкциями или отдельно по принятому на производстве режиму.
После окончания тепловой обработки образцы распалубпивают и испытывают или хранят в нормальных условиях в соответствии с п. 2.3.1.
2.3.3. Образцы, предназначенные для твердения в условиях, аналогичных условиям твердения бетона в монолитных конструкциях, могут твердеть или в формах, или в распалубленном виде.
2.3.4. Допускаются другие условия твердения образцов, например, водное или комбинированное, если эти условия установлены стандартами, техническими условиями или указаны в рабочих чертежах конструкции.
2.3.5. При транспортировании образцов бетона необходимо предохранять их от повреждений, изменения влажности и замораживания.
Прочность бетона образцов к началу их транспортирования должна быть не менее 2 МПа.
3. СРЕДСТВА КОНТРОЛЯ
3.1. Перечень оборудования для изготовления образцов, средств измерения их размеров, формы, массы, испытательного оборудования, приборов, устройств, приспособлений и их технические характеристики приведены в приложении 3 (табл. 7).
Рекомендуемые конструктивные схемы устройств и некоторых приспособлений для испытаний на растяжение приведены в приложениях 8-10.
Допускается использовать другие средства измерения, оборудование, приспособления, если их технические характеристики удовлетворяют требованиям, указанным в приложении 3 (табл. 7).
3.2. Средства измерения, выпускаемые серийно (большими или малыми сериями) допускается использовать, если они прошли государственные или ведомственные испытания в соответствии с ГОСТ 8.001 и ГОСТ 8.383 и внесены в государственный или ведомственный реестр, о чем должна быть сделана отметка или запись в эксплуатационных документах (паспортах, формулярах, инструкциях по эксплуатации), а также прошли первичную поверку при их выпуске из производства, что удостоверено свидетельством о поверке или записью в паспорте.
3.3. Средства измерения, выпускаемые единичными экземплярами или ввозимые из-за границы в единичных экземплярах, допускается использовать, если они прошли аттестацию в соответствии с ГОСТ 8.326, что удостоверяется свидетельством о метрологической аттестации.
3.4. Испытательное оборудование допускается использовать, если оно прошло первичную аттестацию в соответствии с ГОСТ 24555, что для серийно выпускаемого оборудования удостоверяется аттестатом или записью в эксплуатационных документах, а для выпускаемого в единичных экземплярах или ввозимого из-за границы в единичных экземплярах - аттестатом, протоколом аттестации и формуляром по ГОСТ 2.601.
3.5. В процессе эксплуатации средства измерения должны проходить периодическую поверку, а испытательное оборудование - периодическую аттестацию.
Необходимость проведения этих операций и наличие требуемых документов указано в приложении 3.
3.6. Поверку средств измерения проводят органы государственной или ведомственной метрологической службы в соответствии с указаниями в эксплуатационной документации для средств, выпускаемых серийно или в акте метрологической аттестации.
3.7. Периодическую аттестацию испытательного оборудования проводят испытательные подразделения - строительные или заводские лаборатории, отделы технического контроля, испытаний и другие, применяющие это оборудование, с участием метрологической службы данного предприятия (организации).
3.8. Межповерочный срок между двумя последовательными поверками средств измерений указывается в эксплуатационной документации или в акте метрологической аттестации.
Периодическая аттестация испытательного оборудования проводится в сроки, установленные при первичной аттестации.
После ремонта или перебазирования, а также замены средств измерений или испытательного оборудования следует проводить внеочередные поверки и аттестации.
4. ПОДГОТОВКА К ИСПЫТАНИЯМ ОБРАЗЦОВ
И УСЛОВИЯ ИХ ПРОВЕДЕНИЯ
4.1. В помещении для испытания образцов следует поддерживать температуру воздуха в пределах (20±5) °С и относительную влажность воздуха не менее 55 %. В этих условиях образцы должны быть выдержаны до испытания в распалубленном виде в течение не менее 24 ч, если они твердели в воде, и в течение не менее 4 ч, если они твердели в воздушно-влажностных условиях или в условиях тепловой обработки.
Образцы, предназначенные для испытаний для определения передаточной или распалубочной прочности бетона на сжатие в горячем состоянии, а также образцы, предназначенные для определения прочности на растяжение после водного твердения, следует испытывать без предварительной выдержки.
4.2. Перед испытанием образцы подвергают визуальному осмотру, устанавливая наличие дефектов в виде околов ребер, раковин и инородных включений. Образцы, имеющие трещины, околы ребер глубиной более 10 мм, раковины диаметром более 10 мм и глубиной более 5 мм (кроме бетона крупнопористой структуры), а также следы расслоения и недоуплотнения бетонной смеси, испытанию не подлежат. Наплывы бетона на ребрах опорных граней образце» должны быть удалены напильником или абразивным камнем. Результаты осмотра записывают в журнал испытаний, форма которого приведена в приложении 4. В случае необходимости фиксируют схему расположения дефектов.
4.3. На образцах выбирают и отмечают грани, к которым должны быть приложены усилия в процессе нагружения.
Опорные грани отформованных образцов-кубов, предназначенных для испытания на сжатие, выбирают так, чтобы сжимающая сила при испытании была направлена параллельно слоям укладки бетонной смеси в формы.
Опорные грани образцов-кубов и призм, предназначенных для испытания на растяжение при раскалывании, должны быть выбраны так, чтобы оси колющих прокладок, передающих усилие, были перпендикулярны к слоям укладки бетонной смеси.
Плоскость изгиба образцов-призм при испытании на растяжение при изгибе должна быть параллельна слоям укладки.
4.4. Линейные размеры образцов измеряют с погрешностью не более 1 %. Результаты измерений линейных размеров образцов записывают в журнал испытаний.
Примечание. При использовании для изготовления образцов бетона поверенных форм, линейные размеры которых соответствуют требованиям ГОСТ 22685, допускается не измерять линейные размеры образцов, а принимать их равными номинальным по табл. 1 настоящего стандарта.
4.5. Отклонения от прямолинейности образующей образцов-цилиндров определяют с помощью поверочных плиты или линейки и щупов путем установления наибольшего зазора между боковой поверхностью образца и поверхностью плиты.
4.6. Отклонения от перпендикулярности смежных граней образцов-кубов и призм, а также опорных и боковых поверхностей цилиндров определяют по методике приложения 5.
4.7. Отклонения от плоскостности поверхностей образцов определяют по методике приложения 5.
4.8. Отклонения от плоскостности, прямолинейности и перпендикулярности по п.п. 4.5–4.7 следует проверять на образцах, изготовленных в формах одного комплекта не реже одного раза в 6 мес., а также при каждой замене форм для изготовления образцов.
4.9. Если опорные грани образцов-кубов или цилиндров не удовлетворяют требованиям п. 2.1.4, то они должны быть выровнены. Для выравнивания опорных граней применяют шлифование или нанесшие слоя быстротвердеющего материала толщиной не более 3 мм и прочностью к моменту испытания не менее половины ожидаемой прочности бетона образца.
4.10. Если при определении прочности бетона на растяжение при раскалывании не применяют кондукторы по черт. 12 и 13, то на боковые грани образцов-кубов, призм и торцевые поверхности образцов-цилиндров, предназначенных для этих испытаний, наносят осевые линии, с помощью которых образец центрируют при испытании.
4.11. Образцы, предназначенные для испытания на осевое растяжение, закрепляют в захватах.
4.12. Перед испытанием образцы взвешивают с целью определения их средней плотности по ГОСТ 12730.1. При автоматическом определении массы образцов погрешность принимают по среднему классу точности по ГОСТ 23676.
5. ПРОВЕДЕНИЕ ИСПЫТАНИЙ
5.1.Общие требования
5.1.1. Все образцы одной серии должны быть испытаны в расчетном возрасте в течение не более 1 ч.
5.1.2. Перед установкой образца на пресс или испытательную машину удаляют частицы бетона, оставшиеся от предыдущего испытания на опорных плитах пресса.
5.1.3. Шкалу сило измерителя испытательной машины, пресса или испытательной установки выбирают из условия, что ожидаемое значение разрушающей нагрузки должно быть в интервале 20-80 % максимальной нагрузки, допускаемой выбранной шкалой.
5.1.4. Нагружение образцов производят непрерывно со скоростью, обеспечивающей повышение расчетного напряжения в образце до его полного разрушения в пределах (0,6±0,4) МПа/с при испытаниях на сжатие и в пределах (0,05±0,02) МПа/с при испытаниях на растяжение. При этом время нагружения одного образца должно быть не менее 30 с.
5.1.5 Максимальное усилие, достигнутое в процессе испытания, принимают за разрушающую нагрузку и записывают его в журнал испытаний.
5.1.6. Разрушенный образец необходимо подвергнуть визуальному осмотру и отметить в журнале испытаний:
характер разрушения;
наличие крупных (объемом более 1 см3) раковин и каверн внутри образца;
наличие зерен заполнителя размером более 1,5dmax, комков глины, следов расслоения.
Результаты испытаний образцов, имеющих перечисленные дефекты структуры, и характер разрушения, учитывать не следует.
5.2. Испытание на сжатие
5.2.1. При испытании на сжатие образцы-кубы и цилиндры устанавливают одной из выданных граней на нижнюю опорную плиту пресса (или испытательной машины) центрально относительно его продольной оси, используя риски, нанесенные на плиту пресса, дополнительные стальные плиты или специальное центрирующее устройство, приведенное в приложении 6.
Между плитами пресса и опорными поверхностями образца допускается прокладывать дополнительные стальные опорные плиты.
5.2.2. Образцы-половинки призм при испытании на сжатие помещают между двумя дополнительными стальными плитами. Дополнительные плиты центрируют относительно оси пресса, используя риски, нанесенные на плиту пресса и дополнительные стальные плиты, или специальное центрирующее устройство.
5.2.3. После установки образца на опорные плиты пресса (дополнительные стальные плиты) совмещают верхнюю плиту пресса с верхней опорной гранью образца (дополнительной стальной плитой) так, чтобы их плоскости полностью прилегали одна к другой. Далее начинают нагружение.
5.2.4. В случае разрушения образца по одной из дефектных схем по приложению 7 при определении средней прочности серии этот результат не учитывают.
5.3. Испытание на растяжение при изгибе
5.3.1. Образцы-призмы устанавливают в испытательное устройство по схеме черт. 3 и приложению 8 и нагружают до разрушения.
СХЕМА ИСПЫТАНИЯ НА РАСТЯЖЕНИЕ ПРИ ИЗГИБЕ

1 - образец; 2 - шарнирно неподвижная опора; 3 - шарнирно подвижная опора
Черт. 3
5.3.2. Если образец разрушился не в средней трети пролета или плоскость разрушения образца наклонена к вертикальной плоскости более, чем на 15°, то при определении средней прочности бетона серии образцов этот результат испытания не учитывают.
5.4. Испытания на растяжение при раскалывании
5.4.1. Образцы устанавливают на плиты пресса или в испытательное устройство по черт. 4 и приложению 9 и нагружают до разрушения.
СХЕМЫ ИСПЫТАНИЯ НА РАСТЯЖЕНИЕ ПРИ РАСКАЛЫВАНИИ
а) образцов-цилиндров: из ячеистого б) образцов-кубов
из бетона всех видов бетона из бетона всех видов
(кроме ячеистого бетона)

в) образцов-призм
из тяжелого бетона

Черт. 4
Для равномерной передачи усилия на образец между стальной колющей прокладкой и поверхностью куба или между опорными плитами пресса и поверхностью образца-цилиндра допускается дополнительно устанавливать прокладку из фанеры, картона длиной не менее длины образца.
5.4.2. Образцы-призмы последовательно раскалывают в нескольких сечениях по длине. Расстояние между сечениями раскалывания должно быть не менее половины высоты призмы.
5.5. Испытание на осевое растяжение
5.5.1. Образцы закрепляют в разрывной машине по одной из схем приложения 10 и нагружают до разрушения.
5.5.2. Результат испытаний не учитывают, если разрушение образца произошло не в рабочей зоне или плоскость разрушения образца наклонена к его горизонтальной оси более чем на 15°.
ПОГРЕШНОСТИ РАСПОЛОЖЕНИЯ ПЛОСКОСТЕЙ ДЕЙСТВИЯ НАГРУЗКИ ПРИ ИСПЫТАНИИ НА РАСКАЛЫВАНИЕ
а) с эксцентриситетом б) взаимно-непараллельно

Черт. 5
6. ОБРАБОТКА И ОЦЕНКА РЕЗУЛЬТАТОВ
6.1. Прочность бетона, МПа (кгс/см2), следует вычислять с точностью до 0,1 МПа (1 кгс/см2) при испытаниях на сжатие и до 0,01 МПа (0,1 кгс/см2) при испытаниях на растяжение для каждого образца по формулам:
на сжатие
(1)
на осевое растяжение
(2)
на растяжение при раскалывании
(3)
на растяжение при изгибе
(4)
где F - разрушающая нагрузка, Н (кгс);
А - площадь рабочего сечения образца, мм2 (см2);
a, b, l - соответственно ширина, высота поперечного сечения призмы и расстояние между опорами при испытании образцов на растяжение при изгибе, мм (см);
a, b, g, d- масштабные коэффициенты для приведения прочности бетона к прочности бетона в образцах базовых размера и формы;
kw-поправочный коэффициент для ячеистого бетона, учитывающий влажность образцов в момент испытания.
6.2. Значения масштабных коэффициентов следует определять экспериментально по приложению 11. Допускается значения масштабных коэффициентов a, b, g и d для отдельных видов бетонов принимать по табл. 5.
Таблица 5
|
Форма и размеры образца, мм |
Масштабные коэффициенты |
||||
|
сжатия a, всех видов бетонов, кроме ячеистого |
растяжения при раскалывании g |
растяжения при изгибе тяжелого бетона d |
осевого растяжения b |
||
|
тяжелого бетона |
мелкозернистого бетона |
||||
|
Куб (ребро) или квадратная призма (сторона)
70 |
0,85 |
0,78 |
0,87 |
0,86 |
0,85 |
|
100 |
0,95 |
0,88 |
0,92 |
0,92 |
0,92 |
|
150 |
1,00 |
1,00 |
1,00 |
1,00 |
1,00 |
|
200 |
1,05 |
1,10 |
1,05 |
1,15 |
1,08 |
|
300 |
1,10 |
- |
- |
1,34 |
- |
|
Цилиндры (диаметр Х высота)
100Х200 |
1,16 |
0,98 |
0,99 |
- |
- |
|
150Х300 |
1,20 |
1,13 |
1,08 |
- |
- |
|
200Х400 |
1,24 |
- |
- |
- |
- |
|
300Х600 |
1,28 |
- |
- |
- |
- |
Примечания:
1. Для ячеистого бетона со средней плотностью менее 400 кг/м3 масштабный коэффициент a следует принимать равным 1,0 независимо от размеров и формы образцов.
2. Для ячеистого бетона со средней плотностью 400 кг/м3 и более масштабный коэффициент a для выбуренных цилиндров диаметром и высотой 70 мм и выпиленных кубов с ребром длиной 70 мм принимают равным 0,90, а для цилиндров диаметром и высотой 100 мм и кубов с ребром длиной 100 мм - равным 0,95.
3. Применение экспериментальных масштабных коэффициентов a, b, g и d по приложению 11, отличающихся от единицы в сторону увеличения или уменьшения более, чем это указано в табл. 5 для отдельных видов бетонов и размеров образцов - не допускается.
6.3. Значения коэффициента kw, для ячеистого бетона принимают по табл. 6. Коэффициент kw при промежуточных значениях влажности бетона определяют по линейной интерполяции. Для других видов бетона принимают kw равным единице.
Таблица 6
|
Влажность ячеистого бетона по массе в момент испытания w, % |
Поправочный коэффициент kw |
Влажность ячеистого бетона по массе в момент испытания w, % |
Поправочный коэффициент kw |
|
0 |
0,8 |
15 |
1,05 |
|
5 |
0,9 |
20 |
1,10 |
|
10 |
1,0 |
25 и более |
1,15 |
6.4. Прочность бетона (кроме ячеистого) в серии образцов определяют как среднее арифметическое значение в серии:
из двух образцов - по двум образцам;
из трех образцов - по двум наибольшим по прочности образцам;
из четырех образцов - по трем наибольшим по прочности образцам;
из шести образцов - по четырем наибольшим по прочности образцам.
При отбраковке дефектных образцов прочность бетона в серии образцов определяют по всем оставшимся образцам, если их не менее двух. Результаты испытания серии из двух образцов при отбраковке одного образца не учитывают.
6.5. Для ячеистого бетона прочность в серии образцов определяют как среднее арифметическое значение всех испытанных образцов серии.
6.6. При производственном контроле значения переходных коэффициентов от прочности бетона при одном виде испытаний к другому виду испытаний допускается определять экспериментально по приложению 11.
6.7. Оценку результатов определения прочности бетона производят по ГОСТ 18105.
6.8. В случаях, если средний внутрисерийный коэффициент вариации прочности бетона на сжатие превышает 8 %, необходимо провести внеочередную переаттестацию испытательной лаборатории.
ПРИЛОЖЕНИЕ 1
Справочное
ИНФОРМАЦИОННЫЕ ДАННЫЕ
О СООТВЕТСТВИИ ГОСТ 10180 СТ СЭВ 3978
|
ГОСТ 10180 |
СТ СЭВ 3978 |
ГОСТ 10180 |
СТ СЭВ 3978 |
|
Номер пункта |
Номер пункта |
Номер пункта |
Номер пункта |
|
Вводная часть |
Вводная часть и разд. 1 |
5.2.1 |
5.1.1 |
|
2.2.5 |
2.3.3 |
5.3.1 |
5.2.1 |
|
2.1.6 |
2.2.4 |
5.3.2 |
5.2.3 |
|
2.3.2 |
2.4.1 |
5.4.1 |
5.3.1 |
|
2.3.2 |
2.4.3 |
6.1 |
6.1; 6.2; 6.3; 6.4 |
|
2.3.5 |
2.4.4 |
|
|
|
5.1.3 |
5.1.5 |
|
|
|
5.1.4 |
5.1.4 |
|
|
ПРИЛОЖЕНИЕ 2
Обязательное
ОПРЕДЕЛЕНИЕ СРЕДНЕГО ВНУТРИСЕРИЙНОГО
КОЭФФИЦИЕНТА ВАРИАЦИИ ПРОЧНОСТИ БЕТОНА
Средний внутрисерийный
коэффициент вариации прочности бетона
%, определяют по результатам испытания любых последовательных
30 серий образцов бетона одного класса (марки). Для этого определяют размах
в каждой серии, а также средний размах
МПа, и среднюю
прочность Rs, МПа, по всем 30 сериям по
формулам
(5)
(6)
(7)
(8)
где Rj, max и Rj, min - максимальное и минимальное значения прочности бетона в каждой серии образцов, МПа;
Rsj , Wsj - средние прочность и размах прочности бетона в каждой серии образцов, МПа;
d - коэффициент, принимаемый в зависимости от числа образцов n в каждой серии:
при n = 2 d = 1,13;
„ n = 3 d = 1,69;
„ n = 4 d = 2,06;
„ n = 6 d = 2,50.
ПРИЛОЖЕНИЕ 3
Обязательное
ПЕРЕЧЕНЬ ОБОРУДОВАНИЯ ДЛЯ ИЗГОТОВЛЕНИЯ ОБРАЗЦОВ,
СРЕДСТВ ИЗМЕРЕНИЯ ИХ РАЗМЕРОВ, ФОРМЫ И МАССЫ,
ИСПЫТАТЕЛЬНОГО ОБОРУДОВАНИЯ, УСТРОЙСТВ,
ПРИСПОСОБЛЕНИЙ И ИХ ТЕХНИЧЕСКИЕ ХАРАКТЕРИСТИКИ
Таблица 7
|
Наименование, тип, марка оборудования или средства измерения, их определяющий документ |
Технические характеристики |
Необходимость периодической проверки средств измерений или аттестации испытательного оборудования |
Справочные данные |
|
|
Организация, |
||||
|
распространяющая чертежи и методики аттестации |
поставляющая оборудование |
|||
|
1. Оборудование для изготовления образцов |
|
|
|
Территоральные управления Госснаба СССР. |
|
1.1. Формы с крышками и насадками по ГОСТ 22685 |
По ГОСТ 22685 |
Аттестация |
Центральный институт типового проектирования (ЦИТП) Госстроя СССР |
Выпускаются серийно Симферопольским механическим заводом «Сантехпром»1 и другими заводами по прямым договорам |
|
1.2. Лабораторная виброплощадка типа 435А или СМЖ 539 по ТУ 22-4419, СМЖ 739 по ТУ 22-109-24 |
Частота вертикальных колебаний с формой, заполненной бетонной смесью (2900±100) мин-1; амплитуда вертикальных колебаний (0,5±0,05) мм. Амплитуда горизонтальных колебаний не более 0,1 мм; отклонение амплитуд колебаний краев площадки от ее середины не более 20 % |
Аттестация |
- |
Территориальные управления Госснаба СССР. Выпускаются серийно Челябинским ПО «Строммашина»2. |
|
1.3.Лабораторная пропарочная камера типа ЭК-1 |
Погрешность поддержания заданной температуры не более 2°С в диапазоне от 20°С до 100°С |
Аттестация |
Институт «Оргэнергострой» Минэнерго СССР, выпускается мелкими сериями3 |
|
|
1.4. Камера нормального твердения |
Температура (20±3) °С, влажность воздуха (95±5) %, наличие стеллажей для установки образцов, обеспечивающих зазор не менее 5 мм между образцами и стенками камеры или прокладками |
Аттестация |
- |
- |
|
2. Средства измерения |
|
|
|
Территориальные управления |
|
2.1. Весы по ГОСТ 24104 |
Погрешность определения массы не более 0,1 % |
Поверка |
- |
Госснаба СССР, выпускаются серийно4 |
|
2.2. Линейки стальные по ГОСТ 427 |
Цена деления не более 1 мм |
- |
- |
Территориальные управления Госснаба СССР, выпускаются серийно |
|
2.3. Штангенциркули ШД-П 2-го класса по ГОСТ 166 |
По ГОСТ 166 |
Поверка |
- |
То же |
|
2.4. Щупы (набор № 2) 2-го класса по ТУ 2-034-225 |
По ТУ 2-034-225 |
- |
- |
„ |
|
2.5. Проверочные плиты по ГОСТ 10905 |
По ГОСТ 10905 |
Поверка |
- |
Территориальные управления Госснаба СССР, выпускаются |
|
2.6. Поверочные угольники 90° по ГОСТ 3749 |
По ГОСТ 3749 |
Поверка |
- |
серийно |
|
2.7. Прибор для определения отклонений от плоскостности опорных поверхностей образцов |
Погрешность измерения не более 0,01 мм на 100 мм; наличие трех фиксированных опор и двух измерителей перемещений по схеме приложения 5 |
Поверка (только измерителей перемещений) |
ЦИТП Госстроя СССР |
- |
|
2.8. Прибор для определения отклонений от перпендикулярности смежных граней образцов |
Погрешность измерения не более 0,01 мм на 100 мм; наличие двух фиксированных опор в одной плоскости и одной опоры и измерителя перемещений в перпендикулярной плоскости по схеме приложения 5 |
Поверка (только измерителей перемещений) |
ЦИТП Госстроя СССР |
- |
|
3. Испытательные машины для статических испытаний |
|
|
|
Территориальные управления Госснаба СССР, выпускаются |
|
3.1. Прессы для испытаний на сжатие по ГОСТ 8905 |
По ГОСТ 8905 |
Поверка |
- |
серийно5 Армавирским ПО «Точмашприбор» |
|
3.2. Разрывные и универсальные испытательные машины по ГОСТ 7855 |
По ГОСТ 7855 |
„ |
- |
„ |
|
4. Устройства и приспособления для испытаний на сжатие |
|
|
|
|
|
4.1. Устройства для центрирования образцов относительно геометрической оси испытательной машины |
Обеспечение эксцентриситета приложения осевой нагрузки не более 1 % размера поперечного сечения образца по приложению 6 |
Аттестация |
ЦНИЛКиевгорстрой Киевгорстроя6, Институт «Оргэнергострой» Минэнерго СССР |
Институт «Оргэнергострой» Минэнерго СССР |
|
4.2. Дополнительные стальные плиты |
Твердость стали HRCЭ 55...60; неплоскостность опорных поверхностей не более 0,05 мм на 100 мм; толщина не менее 0,25а (0,25d) при передаче нагрузки через шаровой шарнир; размеры в плане должны соответствовать размерам поперечного сечениякуба или цилиндра с погрешностью не более 1 % |
Аттестация |
Институт «Оргэнергострой» Минэнерго СССР |
|
|
5. Устройства и приспособления для испытаний на растяжение при изгибе |
Обеспечение схемы испытания согласно черт. 3 и черт. 10 |
|
|
|
|
5.1. Устройство в целом |
Обеспечение заданных размеров схемы испытания с погрешностью, не более: 0,3 % для расчетного пролета; 1 % - для остальных размеров |
Аттестация |
Межотраслевой научно-технический центр по испытаниям в строительстве «НТЦ ТЕСТ»7 |
|
|
5.2.Шарнирно-подвижные опоры |
Поворот (перемещение) в плоскости изгиба образца (без нагрузки) усилием не более 1Н |
|
|
|
|
5.3.Шарнирно-неподвижные опоры |
Обеспечение возможности поворота образца (без его перемещения) в плоскостях изгиба и перпендикулярной |
|
|
|
|
5.4. Стальные опорные пластины между образцом и шарнирами |
Толщина не менее 0,15а, ширина (0,3-0,4)а, длина не менее а |
|
|
|
|
6. Устройства и приспособления для испытаний на растяжение при раскалывании |
Обеспечение схем испытаний согласно черт. 4 и 11; исключение возможности погрешностей в расположении плоскостей действия нагрузки (при испытании кубов) по черт. 5 |
Аттестация |
Межотраслевой научно-технический центр по испытаниям в строительстве «НТЦ ТЕСТ» |
|
|
6.1. Устройство в целом |
Эксцентриситет плоскостей действия равномерно распределенных сил при испытании кубов (черт. 5, а) не более 0,01 а; взаимная непараллельность плоскостей действия равномерно распределенных сил при испытании кубов (черт. 5, б) не более 1 мм на 100 мм |
Аттестация |
Институт «Оргэнергострой» Минэнерго СССР Межотраслевой научно-технический центр по испытаниям в строительстве «НТЦ ТЕСТ» |
|
|
6.2. Колющие стальные прокладки |
Твердость стали HRCЭ 55...60; диаметр цилиндрического стержня (75±5) мм; сторона призматического стержня (10±1) мм; отклонение от прямолинейности образующей цилиндрического стержня или опорных поверхностей призматического стержня не более 0,05 мм на 100 мм;длина стержня не менее длины (высоты) образца |
|
|
|
|
6.3. Прокладки из картона по ГОСТ 6659, ГОСТ 7950, ГОСТ 9542 или трехслойной фанеры по ОСТ 34-13-892 |
Толщина (3±1) мм, ширина (15±5) мм, длина не менее размера поперечного сечения куба, призмы или высоты цилиндра |
|
|
|
|
6.4. Опорные плиты при испытании образцов-цилиндров |
Твердость стали HRCЭ 55...60, отклонение от плоскостности вдоль линии приложения усилия не более 0,05 мм на 100 мм; толщина не менее 0,25d |
|
|
|
|
7. Устройства для испытания на осевое растяжение призм или цилиндров |
Обеспечение соосности и эксцентриситета приложения осевого растягивающего усилия относительно продольной оси образца не более 1 % размера его поперечного сечения; по черт. 14-18
|
Аттестация |
Межотраслевой научно-технический центр по испытаниям в строительстве «НТЦ ТЕСТ» |
|
_____________
1 - 333017, Симферополь, ул. Киевская, 41, Симферопольский механический завод "Сантехпром".
2 - 454007, Челябинск, ул. Артиллерийская, 124, Челябинское ПО “Строммашина“.
3 - 113105, Москва, варшавское шоссе, 17.
4 - 192007, Ленинград, Курская ул., 23, Ленинградский завод “Госметр“.
142600, Московская обл., г. Орехово-Зуево, Ликкинское шоссе, 4, Ореховозуевский завод “Прибордеталь“.
316050, Кировоград, ул. Кирова, 86, Кировоградский опытный завод дозирующих автоматов.
5 - 325913, Армавир-13, Армавирское ПО “Точмашприбор“.
6 - 252061, Киев, пр. Чубаря, 103, ЦНИЛКиевгорстрой Киевгорстроя.
7 - 117071, Москва, ул. Орджоникидзе, 14-116, “НТЦ ТЕСТ“.
ПРИЛОЖЕНИЕ 4
Обязательное
ФОРМА ЖУРНАЛА ИСПЫТАНИЙ
|
Дата изготов-ления образца и номер смены |
Марки-ровка серии образ- цов |
Наимено-вание контроли- руемых конструкций и (или) номер состава и (или) номер технологи-ческого комплекса |
Нормируемые характеристики прочности и плотности бетона |
Удобо-укла-дывае- мость бетон-ной смеси ОК,см Ж,с |
Ф.И.О. лица, изготовив-шего образцы или наимено-вание орга-низации, приславшей образцы на испытание |
Дата испыта-ния |
Масса образца, г |
Размеры образца, см |
Средняя плот-ность образца в момент испыта-ния, кг/см3 |
Номер испыта-тельной машины; шкала |
Показа-ния сило-измери- теля испыта-тельной машины |
Подпись лица, испытав- шего образцы |
Прочность бетона, приведен-ная к базовому размеру образца, МПа (с учетом влажност-ного коэф-фициента для ячеистого бетона) |
Средняя влаж-ность (для легкого и ячеистого бетонов) в серии, % по массе |
Средняя плот-ность в серии в сухом состоя-нии (для легкого и ячеистого бетонов), кг/м3 |
Сред-няя проч-ность серии образ-цов, МПа |
Приме-чания |
Подпись лица, испытавшего образцы |
||
|
Проект-ный класс (марка) |
Отпуск-ная и переда-точная проч-ность, МПа (для сборных конструк-ций) |
Средняя плот-ность, кг/м3 (для легких и ячеистых бетонов) |
||||||||||||||||||
|
1 |
2 |
3 |
4 |
5 |
6 |
7 |
8 |
9 |
10 |
11 |
12 |
13 |
14 |
15 |
16 |
17 |
18 |
19 |
20 |
21 |
|
Пример заполнения журнала для тяжелого бетона
|
||||||||||||||||||||
|
15.05. 89 г. |
Ф-53 |
Ф-14 |
М200 |
14,0 |
- |
4 |
Иванова М. И. |
16.05. 89 г. |
2360 |
9,8Х10,1Х Х10,0 |
2384 |
200 кН |
357,5 |
143 (14 300) |
13,6 |
- |
- |
14,0 |
|
|
|
I см. |
|
|
|
|
|
|
|
|
2390 |
10,0Х10,0Х Х10,0 |
2390 |
200 кН |
382,5 |
153 (15 300) |
14,5 |
|
|
|
|
|
|
15.05. 89 г. |
Ф-53 |
Ф-14 |
М200 |
- |
- |
4 |
|
13.06. 89 г. |
2380 |
10,1Х10Х Х9,9 |
2380 |
500 кН |
227 |
227 (22 700) |
21,6 |
- |
- |
21,7 |
|
|
|
I см. |
|
|
|
|
|
|
|
|
2350 |
10Х10Х Х9,8 |
2397 |
500 кН |
231 |
231 (23 100) |
21,9 |
|
|
|
|
|
|
Пример заполнения журнала для легкого бетона
|
||||||||||||||||||||
|
15.05. 89 г. |
С-54 |
НС |
М50 |
4,0 |
900 |
– 10 |
|
16.05. 89 г. |
3240 |
15,1Х15Х Х14,9 |
960 |
200 кН |
266 |
106,5 (10 650) |
4,7 |
13 |
854 |
4,6 |
|
|
|
II см.
|
|
|
|
|
|
|
|
|
3300 |
15Х15,1Х Х15 |
970 |
200 кН |
255 |
102 (10 200) |
4,5 |
- |
|
|
|
|
|
15.05. 89 г. |
С-54 |
НС |
М50 |
- |
- |
– 10 |
|
13.06. 89 г. |
3180 |
15Х14,9Х Х14,9 |
995 |
200 кН |
340 |
136 (13 600) |
6,1 |
12 |
855 |
6,2 |
|
|
|
II см.
|
|
|
|
|
|
|
|
|
3200
|
15,1Х15,1Х Х15 |
960 |
200 кН |
359 |
143,6 (14 360) |
6,3 |
- |
|
|
|
|
ПРИЛОЖЕНИЕ 5
Рекомендуемое
ОПРЕДЕЛЕНИЕ ОТКЛОНЕНИЙ ОТ ПЛОСКОСТНОСТИ
И ПЕРПЕНДИКУЛЯРНОСТИ
РАБОЧИХ ГРАНЕЙ ОБРАЗЦОВ
1.Отклонения опорных граней образцов от плоскости, принимаемой за прилегающую, измеряют прибором с погрешностью не более 0,01 мм на 100 мм длины, который при любом исполнении должен иметь три фиксированные опоры по углам и не менее двух индикаторов часового типа по ГОСТ 577 или других измерителей перемещений той же точности - один по четвертому углу и один в середине (черт. 6).
СХЕМА ПРИБОРА ДЛЯ ИЗМЕРЕНИЯ ОТКЛОНЕНИЙ
ОТ ПЛОСКОСТНОСТИ

1 - корпус (рамка) ; 2 - опора; 3- индикатор; b1 - база прибора
Черт. 6
2. Перед измерением образца прибор устанавливают на поверочную плиту по ГОСТ 10905 в трех точках и приводят показания стрелок всех индикаторов в нулевое положение.
При отсутствии поверочной плиты допускается устанавливать прибор на зеркало с размерами, превышающими расстояние между угловыми опорами, не менее чем на 20 мм.
Примечание. При использовании зеркала вместо поверочной плиты предварительно проверяют качество его поверхности. С этой целью прибор после установки стрелок индикаторов на нуль смещают на 10–15 мм в разные стороны по поверхности зеркала. Если при этом стрелки индикаторов отклоняются от нулевого положения не более, чем на 0,5 деления, то зеркало пригодно для использования.
3. Прибор приставляют к измеряемой грани образца и фиксируют, опирая в трех точках. Вслед за тем снимают отсчеты по двум индикаторам.
4. Отклонение от плоскостности относительно угловых точек А, мм, рассчитывают по формуле
(9)
где С1 - постоянная прибора, рассчитывается по формуле
(10)
здесь 100 - длина, к которой относится допуск, мм;
b1 - база прибора, принимаемая на 20-25 мм меньше длины ребра или диаметра образца, мм (см. черт. 6);
О1 - показание углового индикатора, мм.
5. Вогнутость (выпуклость) В, мм, рассчитывают по формуле
(11)
где О2 - показание индикатора, установленного в середине, мм.
Отрицательное значение В показывает, что грань образца вогнута, а положительное значение - выпукла.
6. Отклонение от плоскостности опорных граней образца соответствует п. 2.1.4,, если значения параметров А и В не превышают 0,1мм независимо от размеров образца.
7. Отклонения от плоскостности проверяют по двум противоположным опорным граням, которыми образец при испытании будет контактировать с плитами пресса.
8. Отклонения от перпендикулярности опорных граней образцов проверяют прибором с погрешностью не более 0,01 мм на 100 мм длины (черт. 7),
СХЕМА ПРИБОРА ДЛЯ ИЗМЕРЕНИЯ ОТКЛОНЕНИЯ
ОТ ПЕРПЕНДИКУЛЯРНОСТИ

1 - корпус (угольник) ; 2 - опора; 3- индикатор; b2 - база прибора
Черт. 7
который при любом исполнении должен иметь три фиксированные опоры: две на одной стороне, одну на второй стороне, на которой закреплю индикатор часового типа по ГОСТ 577.
9. Перед измерением прибор прижимают к поверочному угольнику тремя фиксированными опорами. При таком положении прибора стрелку индикатора приводят в нулевое положение.
10. Прибор приставляют к измеряемой грани образца и фиксируют, прижимая к смежной грани двумя опорами и к измеряемой грани третьей опорой. Вслед за тем снимают отсчет по индикатору.
Отклонения от перпендикулярности в образце с ребром длиной не более 100 мм определяют в сечении посередине, а в образцах с ребром большей длины - в двух сечениях на расстоянии 20-50 мм от краев.
11. Отклонение от перпендикулярности С, мм, рассчитывается по формуле
(12)
где С2 - постоянная прибора;
(13)
100 - длина, к которой относится допуск, мм;
b2 - база прибора, принимаемая на 50 мм меньше длины ребра или диаметра образца, мм (см. черт. 7);
О3 - показание индикатора, мм.
12. Отклонение от перпендикулярности граней образца соответствует п. 2.1.6, если значения параметра С не превышают 1 мм независимо от размеров образца.
13. Отклонения от перпендикулярности определяют по опорным граням относительно смежных граней; отклонения грани, открытой при бетонировании образца, не оценивают.
ПРИЛОЖЕНИЕ 6
Рекомендуемое
ПРИСПОСОБЛЕНИЕ ДЛЯ ЦЕНТРИРОВАНИЯ
КОНТРОЛЬНЫХ ОБРАЗЦОВ
ПРИ ИСПЫТАНИИ НА СЖАТИЕ

1 - плита пресса; 2 - бетонный образец; 3 - угольник; 4 - основание приспособления;
5 - шток; 6 - гнезда для установки ограничителя; 7 - ограничитель; 8 - направляющие; 9 - крепежные болты
Черт. 8
ПРИЛОЖЕНИЕ 7
Справочное
СХЕМА ХАРАКТЕРА РАЗРУШЕНИЙ ОБРАЗЦОВ
ПРИ ИСПЫТАНИЯХ НА СЖАТИЕ

1 - нормальное разрушение; 2-5 - дефектные разрушения
Черт. 9
ПРИЛОЖЕНИЕ 8
Рекомендуемое
УСТРОЙСТВО ДЛЯ ИСПЫТАНИЯ НА РАСТЯЖЕНИЕ ПРИ ИЗГИБЕ
Рекомендуемые конструктивные решения и размеры устройств и приспособлений для реализации схемы испытания на растяжение при изгибе приведены на черт. 10.
Одна из опор, на которую образец 1 устанавливают в испытательную машину (установку), является шарнирно-неподвижной, т. е. обеспечивает только поворот образца, а вторая - шарнирно подвижной, т. е. обеспечивает как поворот образца, так и его смещение в плоскости изгиба.
СХЕМА УСТРОЙСТВ ИСПЫТАНИЯ НА РАСТЯЖЕНИЕ ПРИ ИЗГИБЕ

1 - образец; 2 - шар; 3 - опорная подушка; 4 - качающаяся призма; 5 - опорная сегментная подушка; 6 - опорная плоская подушка;
7- распределительная траверса;
8 - шарнирно неподвижная опора; 9 - шарнирно подвижная опора; 10 - шаровой шарнир
Черт. 10
Шарнирно неподвижная опора (узел Б) выполнена в виде шара 2, устанавливаемого центрально относительно поперечной оси образца между опорными подушками 3 со сферическими поверхностями. Такая конструкция обеспечивает поворот образца как в плоскости изгиба, так и в перпендикулярной ей плоскости без перемещения образца и исключает косой изгиб, который может быть вызван неплоскостностью опорных поверхностей образца.
Шарнирно подвижная опора (узел А) выполнена в виде качающейся призмы 4, опирающейся на верхнюю сегментную 5 и нижнюю плоскую 6 опорные подушки, и устанавливается также центрально относительно поперечной оси образца. Такая конструкция обеспечивает как поворот, так и смещение образца в плоскости изгиба и практически исключает возникновение усилия распора вследствие прогиба образца.
Нагрузка от испытательной машины (установки) передается на образец через распределительную траверсу 7, выполненную в виде однопролетной балки. Длина траверсы должна быть не менее половины длины образца, а ее прогиб под нагрузкой - не более 1/500 ее пролета. Траверса устанавливается на образец центрально относительно его осей и опирается на образец в двух сечениях в третях пролета. Шарнирно неподвижная опора 8 траверсы выполнена также, как и соответствующая опора образца. Шарнирно подвижная опора 9 траверсы выполнена в виде цилиндрического катка, устанавливаемого между опорными пластинами, размеры которых должны соответствовать размерам опорных подушек.
Длина опорных пластин и подушек должна быть не менее размера поперечного сечения образца.
Нагрузка от испытательной машины (установки) на траверсу должна передаваться центрально через шаровой шарнир 10, в качестве которого может быть использован верхний шарнир испытательной машины.
ПРИЛОЖЕНИЕ 9
Рекомендуемое
УСТРОЙСТВА ДЛЯ ИСПЫТАНИЯ НА РАСТЯЖЕНИЕ
ПРИ РАСКАЛЫВАНИИ
1. Рекомендуемые конструктивные решения устройств и приспособлений для реализации схем испытания на растяжение при раскалывании образцов-цилиндров, кубов и призм приведены на черт. 11-13.
Усилие F от испытательной машины (установки) прикладывают к образцу 1 (черт. 11) через шаровой шарнир и нагрузочные устройства 2 или 3, которые при испытании цилиндров выполняют в виде плиты (черт. 11, а), а при испытании кубов или призм - в виде колющих стальных прокладок, (цилиндров, полуцилиндров или сегментов) по табл. 7 (черт. 11, б и в). В качестве шарового шарнира допускается использовать верхний шарнир
СХЕМА УСТРОЙСТВ ИСПЫТАНИЙ
НА РАСТЯЖЕНИЕ ПРИ РАСКАЛЫВАНИИ

1 - образец; 2 - нагрузочное устройство (плита) при испытании цилиндра;
3 - нагрузочное устройство (колющий стержень) при испытании куба, призмы;
4 - шаровой шарнир; 5 - дополнительная шаровая опора; 6 - нижняя опорная плита пресса (испытательной машины)
Черт. 11
СХЕМА КОНДУКТОРА

1 - направляющие; 2 - нижнее нагрузочное устройство; 3 - образец; 4 - верхнее нагрузочное устройство
Черт. 12
СХЕМА КОНДУКТОРА

1 - направляющие; 2 - нижнее нагрузочное устройство; 3 - образец; 4 - верхнее нагрузочное устройство
Черт. 13
испытательной машины. В этом случае при испытании цилиндра, если толщина верхней опорной плиты испытательной машины удовлетворяет предъявляемым требованиям, дополнительного нагружающего устройства не требуется.
При испытании призм для обеспечения заданного напряженного состояния следует применять поддерживающую шаровую опору 5 (см. черт. 11).
Для обеспечения требуемой схемы приложения нагрузки рекомендуется применять кондуктор (см. черт. 12 и 13). Направляющие кондуктора 1 жестко соединены с нижним нагрузочным устройством 2, выполненным в виде плоской плиты (черт. 12, а) или плиты с колющим стержнем (черт. 12, б). Верхнее нагрузочное устройство 4 устанавливают в направляющие кондуктора (черт. 12) или надевают на них (черт. 13). Размеры элементов кондуктора назначают исходя из требований табл. 7.
ПРИЛОЖЕНИЕ 10
Рекомендуемое
УСТРОЙСТВА ДЛЯ ИСПЫТАНИЯ НА ОСЕВОЕ РАСТЯЖЕНИЕ
1. Выбор схемы захвата определяют типом образца (призмой или цилиндром), конструкцией сочленения захвата с испытательной машиной (жесткая, гибкая, шарнирная), способом крепления захвата к образцу (за галтели, с помощью клея, анкеров, закладываемых в образец при его изготовлении, или за счет трения о его поверхность), черт. 14-17.
2. На черт. 14 приведены схемы захватов для крепления образцов квадратного сечения с галтелями (черт. 14, а, б, в). Образцы, как правило, захватывают за две противоположные грани.
На черт. 14, а приведена схема жесткого захвата, в качестве которого допускается использовать опорные части испытательных машин, в случае, если их устройство обеспечивает соосность передачи между ними растягивающего усилия.
На черт. 14, б, в приведены схемы гибкой конструкции сочленения элементов захвата соответственно для образцов квадратного и цилиндрического сечений, в которых самоцентрирование образца в процессе установки и испытания облегчается за счет гибкой тяги 4. В приведенной на черт. 14, в шарнирной конструкции захвата жесткая тяга 6 выполняет ту же функцию, что и гибкая. В случае применения захвата, схема которого приведена на черт. 14, в, в галтельную часть образца при его изготовлении закладывают трубу для пропуска захвата.
3. На черт. 15-18 приведены схемы захватов, которые используют для крепления образцов без галтелей.
3.1. Приклеиваемые и анкерные захваты (черт. 15) требуют специальной подготовки образца при его изготовлении или перед испытанием (закладки анкеров или приклеивания захвата клеем). Анкеры следует выполнять с заостренными концами и разной длины, при этом разница в длине анкеров должна быть не менее среднего диаметра крупного заполнителя dag. При разрушении образца необходимо обращать внимание, как проходах плоскость разрушения. Если она проходит более чем через 50 % концов анкеров, то образец следует браковать по результатам измерения прочностных характеристик. Приклеивать захваты (черт. 15, а) рекомендуется эпоксидной смолой с наполнителями: цементом или тонкомолотым песком для снижения усадочных напряжений и деформаций. Приклеиваемые и анкерные захваты могут быть использованы, как для образцов-призм, так и для образцов-цилиндров.
3.2. Зажимные (см. черт. 16) и самозажимные (см. черт. 17) захваты не требуют специальной подготовки образца и устанавливаются на нем непосредственно перед испытанием. Образец удерживается в захвате за счет
СХЕМА ЗАХВАТОВ ДЛЯ ОБРАЗЦА С ГАЛТЕЛЯМИ

1 - образец; 2 - захват; 3 - концевой элемент шарнира Гука; 4 - гибкая тяга; 5 ~ ось;
6 - жесткая тяга
Черт. 14
СХЕМА ПРИКЛЕИВАЕМЫХ И АНКЕРНЫХ ЗАХВАТОВ

1 - образец; 2 - захват; 3 - концевой элемент шарнира Гука; 4 - клей; 5 - анкер
Черт. 15
трения деталей захвата (прижимных пластин или цанг) о его поверхность. С целью увеличения силы трения на поверхности деталей, прилегающих к образцу (2 на черт. 16, а и 17 и 5 на черт. 16, б и 16, в) рекомендуется делать насечку, а в зажимных захватах эти детали дополнительно прижимать к образцу винтами (6 на черт. 16). Усилие затяжки винтов предварительно подбирают в зависимости от размеров образца, вида и прочности бетона. Число винтов рекомендуется принимать равным числу цанг.
Число цанг 5 в зажимном захвате для образца цилиндра (черт. 16, б) должно быть не менее четырех, что позволяет нивелировать возможные отклонения формы и размеров поперечного сечения образца от номинальных. Рекомендуется в этом типе захватов делать винтовое дно, которое служит для предварительного закрепления образца и удобства освобождения остатков образца после испытания.
В самозажимном захвате для образцов-призм (см. черт. 17) каток 6 должен свободно перемещаться по пластине 2 захвата, а неподвижная опора 7 должна быть жестко закреплена на ней. При установке захвата на образце для предотвращения его разрушения в захвате подвижный каток 6 должен располагаться на расстоянии не менее, чем 0,1а от торца образца.
4. Для обеспечения соосности передачи усилия между захватами их следует соединять с опорными устройствами испытательной машины через шарнир Гука, схема которого приведена на черт. 18. Концевой элемент 2
СХЕМЫ ЗАЖИМНЫХ ЗАХВАТОВ

1 — образец; 2 - захват; 3 — концевой элемент шарнира Гука; 4 — ось; 5 — цанга;
6 - стягивающие винты
Черт. 16
шарнира входит в состав захвата, а концевой элемент 3 устанавливают в опорном устройстве испытательной машины.
Применение шаровых шарниров вместо шарниров Гука допускается только при гибкой конструкции сочленения захвата с испытательной машиной.
СХЕМА САМОЗАЖИМНОГО ЗАЖИМА

1 - образец; 2 - прижимная пластина; 3 - концевой элемент шарнира Гука; 4 - ось;
5 - тяга; 6 - подвижная опора захвата (каток); 7 - неподвижная опора захвата
Черт. 17
СХЕМА ШАРНИРА ГУКА

1 - центральный элемент; 2, 3 - концевые элементы; 4 - ось
Черт. 18
ПРИЛОЖЕНИЕ 11
Обязательное
МЕТОДИКА ЭКСПЕРИМЕНТАЛЬНОГО ОПРЕДЕЛЕНИЯ МАСШТАБНЫХ КОЭФФИЦИЕНТОВ И КОЭФФИЦИЕНТОВ ПЕРЕХОДА ОТ ПРОЧНОСТИ ПРИ ОДНОМ ВИДЕ НАПРЯЖЕННОГО СОСТОЯНИЯ К ПРОЧНОСТИ ПРИ ДРУГОМ ВИДЕ
НАПРЯЖЕННОГО СОСТОЯНИЯ
1. Экспериментальные масштабные коэффициенты устанавливают отдельно для каждой марки и вида бетона и для каждой испытательной машины и комплекта форм, используемых для изготовления образцов небазового размера и формы.
2. Для установления значений масштабных коэффициентов испытывают по 8 парных серий образцов базового и не базового размера, если число образцов в каждой серии равно двум, и по 6 серий образцов, если число образцов в каждой серии равно трем или более.
Образцы небазового размера изготавливают в различных формах из находящегося в обращении комплекта, при этом все формы должны быть поверены.
3. Образцы каждой парной серии базового и небазового размеров изготовляют из одной пробы бетонной смеси и выдерживают в одинаковых условиях. После окончания твердения все образцы испытывают в одном возрасте.
Средняя плотность бетона в каждой парной серии образцов базового и небазового размеров в момент испытания не должна отличаться более чем на 2%.
4. Для каждой парной серии необходимо определить значение масштабного коэффициента kj , по формуле:
(14)
где
и
- средние значения
прочности бетона в сериях базового и небазового
размеров, вычисленные по результатам испытаний
всех образцов серии.
По всем сериям вычисляют
средний масштабный коэффициент
, среднее квадратическое
отклонение sk и коэффициент вариации V по формулам
(15)
(16)
(17)
где n - число пар серий образцов, равное 8 или 6.
Экспериментально
установленный масштабный коэффициент
может быть использован, если величина коэффициента вариации V не превышает 15%.
5. Получение значения экспериментальных коэффициентов сравнивают со значениями, приведенными в табл. 5, и оценивают для случаев, предусмотренных табл. 5, существенность их отличия от табличных по значению t, вычисляемому по формуле
(18)
где
- значения
коэффициентов a, b, g, d по табл. 5
настоящего стандарта для образцов, имеющих форму и размеры, соответствующие
испытываемым.
При t ³ 1,4 отличие признают существенным и принимают экспериментальное значение масштабного коэффициента.
При t < 1,4 отличие признают несущественным и принимают значение масштабного коэффициента по табл. 5.
6. Значения экспериментальных масштабных коэффициентов устанавливает лаборатория предприятия или строительной организации и утверждает главный инженер этого предприятия или организации.
7. Проверку установленных экспериментальных значений масштабных коэффициентов следует проводить не реже одного раза в два года, а также при ремонте к замене прессов или испытательных машин и парка форм для изготовления образцов.
8. По настоящей методике при производственном контроле прочности по ГОСТ 18105 следует определять также коэффициенты перехода от прочности образцов различной формы по п. 2.1.1 к эталонным и коэффициенты перехода от прочности при одном виде испытаний к другому, например, от прочности на растяжение при изгибе к прочности на осевое растяжение
(19)
или от прочности на растяжение при раскалывании к прочности на осевое растяжение
(20)
Для тяжелого бетона значения переходных коэффициентов k1 и k2 от прочности на растяжение при изгибе и растяжение при раскалывании к прочности на осевое растяжение допускается принимать: k1 = 0,55 и k2 = = 0,83.
ИНФОРМАЦИОННЫЕ ДАННЫЕ
1. РАЗРАБОТАН Научно-исследовательским, проектно-конструкторским и технологическим институтом бетона и железобетона (НИИЖБ) Госстроя СССР
Всесоюзным научно-исследовательским институтом заводской технологии сборных железобетонных конструкций и изделий (ВНИИжелезобетон) Госстроя СССР
Министерством энергетики и электрификации СССР
Министерством транспортного строительства СССР
Государственным комитетом СССР по управлению качеством продукции и стандартам
РАЗРАБОТЧИКИ
М. И. Бруссер, канд. техн. наук (руководитель темы); Л. А. Малинина, д-р техн. наук; Г. С. Митник, канд. техн. наук; С. А. Подмазова, канд. техн. наук; И. М. Дробященко, канд. техн. наук; Т. А. Ухова, канд. техн. наук; Н. И. Левин, канд. техн. наук; И. Л. Цветков, канд. техн. наук; И. Ф. Руденко, д-р техн. наук; О. В. Белоусов, канд. техн. наук; М. Ю. Лещинский, д-р техн. наук; О. П. Денисенко; В. Г. Довжик, канд. техн. наук; А. Л. Усколовский; Ю. Г. Хаютин, д-р техн. наук; В. А. Дорф, канд. техн. наук; Г. Л. Гершанович, канд. техн. наук; А. И. Марков, канд. техн. наук; Р. О. Красновский, канд. техн. наук; Л. С. Павлов, канд. техн. наук; Е. Н. Щербаков, д-р техн. наук; Н. Г. Хубова, канд. техн. наук; Н. В. Смирнов, канд. техн. наук; А. М. Шейнин, канд. техн. наук; Д. А. Коршунов, канд. техн. наук; Ю. И. Кураш, канд. техн. наук; И. С. Кроль; С. П. Абрамова; В. В. Тишенко; И. Н. Нагорняк
2. ВНЕСЕН Научно-исследовательским, проектно-конструкторским и технологическим институтом бетона и железобетона (НИИЖБ) Госстроя СССР
3. УТВЕРЖДЕН И ВВЕДЕН В ДЕЙСТВИЕ постановлением Государственного строительного комитета СССР от 29 декабря 1989 г. № 168
4. ВЗАМЕН ГОСТ 10180-78 в части определения прочности бетона по контрольным образцам
5. ГОСТ 10180-90 соответствует Международным стандартам ИСО 1920-1976; ИСО 4012-1987; ИСО 4013-1978; ИСО 4108-1980; СТ СЭВ 3978-83
6. ССЫЛОЧНЫЕ НОРМАТИВНО-ТЕХНИЧЕСКИЕ ДОКУМЕНТЫ
|
Обозначения НТД, на который дана ссылка |
Номер пункта, подпункта, приложения |
|
ГОСТ 2.601-68 (СТ СЭВ 1798-79) |
3.4 |
|
ГОСТ 8.001 -80 (СТ СЭВ 1708-79) |
3.2 |
|
ГОСТ 8.326-78 |
3.3 |
|
ГОСТ 8.383 -80 |
3.2 |
|
ГОСТ 166-80 (СТ СЭВ 704-77 - СТ СЭВ 707-77; СТ СЭВ 1309-78) |
Приложение 3 |
|
ГОСТ 427-75 |
Приложение 3 |
|
ГОСТ 577-68 (СТ СЭВ 3138-81) |
Приложение 5 |
|
ГОСТ 3749-77 |
Приложение 3 |
|
ГОСТ 6659-83 |
Приложение 3 |
|
ГОСТ 7855-84 |
Приложение 3 |
|
ГОСТ 7950-77 Е |
Приложение 3 |
|
ГОСТ 8905-82 |
Приложение 3 |
|
ГОСТ 9542 -87 |
Приложение 3 |
|
ГОСТ 10181.0-81 |
2.2.1 |
|
ГОСТ 10905-86 |
Приложения 3, 5 |
|
ГОСТ 12730.1-78 |
4.12 |
|
ГОСТ 18105-86 (СТ СЭВ 2046-79)
|
Вводная часть; 2.3.1; 6.7; приложение 10 |
|
ГОСТ 22685-89 |
2.2.4; 4.4; Приложение 3 |
|
ГОСТ 23676-79 |
4.12 |
|
ГОСТ 24104-88 Е |
Приложение 3 |
|
ГОСТ 24555-81 |
3.4 |
|
ГОСТ 25192-82 (СТ СЭВ 6550-88) |
Вводная часть |
|
ГОСТ 28570-90 (СТ СЭВ 3978-83) |
2.2.11 |
|
ТУ 2-034-225-87 |
Приложение 3 |
|
ТУ 22-4419-79 |
Приложение 3 |
|
ТУ 22-109-24-88 |
Приложение 3 |
|
ОСТ 34-13-892-88 |
Приложение 3 |
|
СТ СЭВ 3978-83 |
Вводная часть, приложение 1 |
СОДЕРЖАНИЕ
|
1. СУЩНОСТЬ МЕТОДОВ.. 1 2. КОНТРОЛЬНЫЕ ОБРАЗЦЫ БЕТОНА.. 2 3. СРЕДСТВА КОНТРОЛЯ.. 5 4. ПОДГОТОВКА К ИСПЫТАНИЯМ ОБРАЗЦОВ.. 6 И УСЛОВИЯ ИХ ПРОВЕДЕНИЯ.. 6 5. ПРОВЕДЕНИЕ ИСПЫТАНИЙ.. 7 6. ОБРАБОТКА И ОЦЕНКА РЕЗУЛЬТАТОВ.. 9 ПРИЛОЖЕНИЕ 1. 11 Справочное. 11 ПРИЛОЖЕНИЕ 2. 11 Обязательное. 11 ПРИЛОЖЕНИЕ 3. 11 Обязательное. 11 ПРИЛОЖЕНИЕ 4. 16 Обязательное. 16 ПРИЛОЖЕНИЕ 5. 17 Рекомендуемое. 17 ПРИЛОЖЕНИЕ 6. 18 Рекомендуемое. 18 ПРИЛОЖЕНИЕ 7. 19 Справочное. 19 ПРИЛОЖЕНИЕ 8. 19 Рекомендуемое. 19 ПРИЛОЖЕНИЕ 9. 20 Рекомендуемое. 20 ПРИЛОЖЕНИЕ 10. 22 Рекомендуемое. 22 ПРИЛОЖЕНИЕ 11. 25 Обязательное. 25 ИНФОРМАЦИОННЫЕ ДАННЫЕ. 26 |




