ГОСТ 23250-78
Материалы строительные. Метод определения удельной теплоемкости
| Опубликован | Издательство стандартов № 1979 |
| Утверждён | 14 июля 1978 г. Госстрой СССР |
| Разработан | Госудаpственный таможенный комитет РФ |

ГОСУДАРСТВЕННЫЙ СТАНДАРТ СОЮЗА ССР
МАТЕРИАЛЫ СТРОИТЕЛЬНЫЕ
МЕТОД ОПРЕДЕЛЕНИЯ УДЕЛЬНОЙ ТЕПЛОЕМКОСТИ
ГОСТ 23250-78
ГОСУДАРСТВЕННЫЙ КОМИТЕТ СССР
ПО ДЕЛАМ СТРОИТЕЛЬСТВА
РАЗРАБОТАН Государственным комитетом СССР по делам строительства
ИСПОЛНИТЕЛИ
И. Н. Бутовский, канд. техн. наук (руководитель темы); О. А. Веретельникова
ВНЕСЕН Государственным комитетом СССР по делам строительства
Член Коллегии В. И. Сычев
УТВЕРЖДЕН И ВВЕДЕН В ДЕЙСТВИЕ Постановлением Государственного комитета СССР по делам строительства от 14 июля 1978 г. № 130
ГОСУДАРСТВЕННЫЙ СТАНДАРТ СОЮЗА ССР
|
МАТЕРИАЛЫ СТРОИТЕЛЬНЫЕ Метод определения удельной теплоемкости Building materials. Method of specific heat determination |
ГОСТ |
Постановлением Государственного комитета СССР по делам строительства от 14 июля 1978 г. № 130 срок введения установлен
с 01.01. 1979 г.
Несоблюдение стандарта преследуется по закону
Настоящий стандарт распространяется на строительные материалы и устанавливает метод определения их удельной теплоемкости в диапазоне температур от плюс 20 до 100 °С.
1. ОБЩИЕ ПОЛОЖЕНИЯ
1.1. Удельная теплоемкость - количество теплоты, поглощаемое единицей массы материала при нагревании на 1 °С, выражается в ккал/(кг·°С) или Дж/(кг·К).
1.2. Метод определения удельной теплоемкости основан на измерении количества теплоты, отданной калориметру образцом известной массы, нагретым до заданной температуры.
1.3. Удельную теплоемкость в выбранном температурном интервале калориметрического опыта вычисляют из уравнения теплового баланса.
1.4. Для учета теплоты, поглощаемой во время опыта самим калориметром, а также тепловых потерь в уравнение теплового баланса вводится значение водяного эквивалента калориметра.
1.5. Водяной эквивалент калориметра - это количество дистиллированной воды в граммах, которое при изменении температуры на 1 °С поглощает такое же количество теплоты, что и калориметр.
1.6. Водяной эквивалент калориметра определяется предварительно экспериментальным путем с помощью медного эталона с известным значением теплоемкости.
1.7. Определение удельной теплоемкости производят в лабораторных условиях при температуре воздуха в помещении 20 ± 2 °С.
2. АППАРАТУРА
2.1. Установка для определения удельной теплоемкости, конструктивная схема которой приведена на черт. 1, включает:
электронагреватель для нагрева до заданной температуры капсулы с образцом или эталона. Электронагреватель представляет собой металлическую трубку длиной 250 мм, диаметров 37-45 мм, на которую по слою асбеста толщиной 3-5 мм укладывают 70 витков нихромовой проволоки диаметром 0,7 мм, затем слой асбеста толщиной 15-20 мм и дюралевую фольгу-кожух. Электронагреватель имеет две теплоизоляционный крышки: верхнюю с прорезью для нити подвеса капсулы и термопары и нижнюю с прорезью для нити подвеса капсулы. Электронагреватель должен перемещаться по вертикали по штативу магнитной мешалки и вокруг штатива;
калориметр, представляющий сосуд Дьюара емкостью 500-1000 мл, помещенный в опорный водонепроницаемый цилиндрический кожух без дна с теплоизоляционной крышкой, имеющей прорезь для нити подвеса капсулы и паз для установки термометра Бекмана. В калориметр с дистиллированной водой во время опыта опускается для остывания нагретая капсула с образцом или эталон;
метастатический термометр Бекмана со шкалой 5 °С с ценой делений шкалы 0,01 °С для измерения температуры калориметра и холодных спаев термопары с точностью до 0,01 °С;
водонепроницаемую цилиндрическую капсулу для образца испытываемого материала (см. черт. 2). Капсула представляет собой медный или латунный стакан емкостью 25-27 см3 с навинчивающейся крышкой. В центре крышки припаяна гильза для термопары. Между фланцами крышки и стакана должна быть прокладка из паранита, обеспечивающая водонепроницаемость капсулы. Скобу для подвески капсулы припаивают так, чтобы подвешенная капсула находилась в горизонтальном положении;
эталон для определения водяного эквивалента калориметра. Эталон размерами 50×25×5 мм изготавливают из меди по ГОСТ 859-78 со сквозным отверстием диаметром 2 мм для нити подвеса и гнездом диаметром 3 мм и глубиной 25 мм для термопары;
проградуированную хромель-копелевую термопару из проволоки диаметром 0,2-0,3 мм по ГОСТ 1790-77 для измерения температуры капсулы с образцом или эталона в электронагревателе;
измеритель термо-э.д.с. термопары капсулы - электронный цифровой вольтметр по ГОСТ 22261-76, обеспечивающий измерение температуры нагретой капсулы с образцом или эталона с точностью до 0,15 °С;
термос бытовой емкостью 1 л для термостатирования холодных спаев термопары;
автотрансформатор или стабилизированный источник постоянного напряжения для питания электронагревателя переменным или постоянным током;
секундомер типа С-1-2а по ГОСТ 5072-72 для отсчета времени опыта с точностью до 1 с.
КОНСТРУКТИВНАЯ СХЕМА УСТАНОВКИ ДЛЯ ОПРЕДЕЛЕНИЯ УДЕЛЬНОЙ ТЕПЛОЕМКОСТИ
Период нагрева капсулы с образцом
Момент сброса капсулы с образцом

1 - калориметр; 2 - электронагреватель; 3 - капсула с образцом; 4 - магнитная мешалка; 5 - стержень магнитной мешалки; 6 - штатив магнитной мешалки; 7 - термометр Бекмана; 8 - термопара; 9 - термос с холодными спаями термопары; 10 - крышка (верхняя) электронагревателя; 11 - крышка (нижняя) электронагревателя; 12 - крышка калориметра; 13 - крышка термоса
Черт. 1
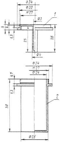
Конструкция водонепроницаемой цилиндрической капсулы для образца

1 - навинчивающаяся крышка с гильзой для термопары; 2 - цилиндрический стакан.
Черт. 2
2.2. В комплекте установки допускается применять и другие средства измерений, обеспечивающие соблюдение требований, указанных в п. 2.1.
3. ПОДГОТОВКА К ИСПЫТАНИЮ
3.1. Подготовка образца
3.1.1. Исследуемый материал высушивают до постоянной массы. Температура сушки определяется видом материала и не должна вызывать в нем деструктивных изменений.
3.1.2. Материал измельчают до размеров частиц не более 5 мм. Высушенный материал засыпают в капсулу и уплотняют трамбованием вручную в четыре слоя.
3.1.3. Массу образца с точностью до 0,001 г определяют по разности масс капсулы наполненной и пустой.
Масса образца должна быть не менее 5 г.
3.2. Подготовка электронагревателя
3.2.1. При подготовке электронагревателя определяют зависимость его температуры от напряжения питания в соответствии с пп. 3.2.2-3.2.5.
3.2.2. В центре электронагревателя подвешивают на нейлоновой нити эталон с вставленной термопарой, присоединенной к измерителю термо-э.д.с.
3.2.3. Холодные спаи термопары опускают в термос с водой комнатной температуры, измеренной с точностью до 1 °С.
3.2.4. Электронагреватель, закрывают двумя крышками и включают нагрев при различных значениях напряжения в диапазоне 15-25 В с шагом 2 В. Температура электронагревателя tв определяется для каждого значения напряжения путем деления показаний вольтметра в мкВ на удельную термо-э.д.с. термопары, полученную при ее градуировке, и сложения частного с температурой холодных спаев tхол.
3.2.5. Для определения зависимости температуры электронагревателя от напряжения учитывают только постоянные значения температуры электронагревателя при данном напряжении. Температура считается постоянной, если три ее замера, произведенные последовательно через 5 мин, отличаются не более чем на 0,15 °С.
3.3. Определение водяного эквивалента калориметра
3.3.1. Водяной эквивалент калориметра определяют перед сдачей установки в эксплуатацию и далее раз в месяц, а также при замене калориметра, изменении температурного интервала калориметрического опыта более чем на ±1 °С и изменении температуры помещения более чем на ±3 °С.
3.3.2. Водяной эквивалент калориметра определяют в соответствии с пп. 4 и 5, заменяя в опыте капсулу с образцом медным эталоном.
3.4. Подготовка калориметра
3.4.1. В бытовой термос наливают 1 л дистиллированной воды температурой 20,5 ± 0,5 °С.
3.4.2. Термометр Бекмана настраивают на диапазон 20-25 °С.
3.4.3. Калориметр со стержнем магнитной мешалки в нем взвешивают с точностью до 0,1 г и наливают в него из термоса 300 мл дистиллированной воды. Массу воды с точностью до 0,1 г определяют по разности масс наполненного и пустого калориметра.
3.4.4. Калориметр устанавливают на магнитную мешалку, проверяют вращение стержня мешалки и закрывают его крышкой.
3.4.5. Термометр Бекмана и холодные спаи термопары опускают в термос с оставшейся в нем водой и плотно закрывают его крышкой.
3.4.6. Калориметр и термос выдерживают не менее 30 мин до начала замеров температуры.
4. ПРОВЕДЕНИЕ ИЗМЕРЕНИЙ
4.1. Для определения удельной теплоемкости капсулу с образцом и вставленной термопарой, присоединенной к измерителю термо-э.д.с., подвешивают на нейлоновой нити в центре электронагревателя.
4.2. Электронагреватель включают на нагрев, установив напряжение, при котором поддерживается выбранная для опыта температура. Температуру электронагревателя устанавливают в зависимости от вида исследуемого материала. Она не должна вызывать деструктивных изменений в испытываемом образце. Для обеспечения необходимой точности измерений калориметр должен нагреться не менее чем на 1 °С, поэтому при минимальной массе образца (5 г) температура нагрева капсулы с образцом должна быть не менее чем на 50 °С выше температуры калориметра.
4.3. Капсулу с образцом нагревают до выбранной постоянной температуры.
4.4. Температуру холодных спаев термопары в термосе определяют после прогрева капсулы термометром Бекмана с точностью до 0,01 °С.
4.5. После определения температуры термоса термометр Бекмана высушивают марлевым тампоном и опускают в калориметр. Через 15 мин включают магнитную мешалку и начинают регистрацию температуры калориметра с точностью до 0,01 °С через каждые 5 мин. Время фиксируют по секундомеру.
4.6. Горячую капсулу с образцом опускают в калориметр через 15 мин после включения магнитной мешалки, не снимая верхней крышки электронагревателя. Калориметр закрывают крышкой. Термопара остается внутри электронагревателя. Оси электронагревателя и калориметра совмещают только в момент сброса, остальное время электронагреватель должен быть отведен в сторону для предотвращения теплового взаимодействия электронагревателя с калориметром.
4.7. Температуру калориметра с капсулой в нем измеряют с интервалом в 1 мин в течение 20 мин. При определении водяного эквивалента калориметра температуру измеряют в течение 10 мин.
4.8. После проведения измерений температуры капсулу с образцом высушивают марлевым тампоном и взвешивают. Если масса капсулы с образцом увеличилась более чем на 0,005 г, произведенный опыт считают недействительным.
5. ОБРАБОТКА РЕЗУЛЬТАТОВ ИЗМЕРЕНИЙ
5.1. По результатам измерений строят график зависимости температуры калориметра от времени в масштабе: 1 °С соответствует 100 мм по оси ординат, 1 мин соответствует 5 мм по оси абсцисс (см. черт. 3).
Экспериментальный график

Черт. 3
5.2. По графику определяют:
температуру калориметра в момент погружения капсулы с образцом или эталона в калориметр t0, так как отсчет температуры калориметра и погружение не совпадают по времени;
температуру теплового равновесия между капсулой с образцом или эталоном и калориметром tр, которая находится путем экстраполяции, чтобы исключить теплоту, полученную калориметром при вращении стержня магнитной мешалки.
5.3. Водяной эквивалент Е с точностью до 0,1 г вычисляют по формуле

где Мэ - масса эталона, г;
Сэ - удельная теплоемкость материала эталона, ккал/(кг·°С) или Дж/(кг·К);
tв - температура нагретого эталона, °С;
tр - равновесная температура калориметра, °С;
Сж - удельная теплоемкость дистиллированной воды, равная 1 ккал/(кг·°С) или 4187 Дж/(кг·К);
t0 - температура калориметра в момент погружения эталона, °С;
Мж - масса дистиллированной воды, г.
5.4. Удельную теплоемкость С с точностью до 0,01 ккал/(кг·°С) или с точностью до 10 Дж/(кг·К) вычисляют по формуле

где tв - температура нагретой капсулы с образцом, °С;
Мк - масса капсулы, г;
Ск - удельная теплоемкость материала капсулы, ккал/(кг·°С) или Дж/(кг·К);
М0 - масса образца, г.
5.6. Удельная теплоемкость образца материала в интервале температур (tв - tр) вычисляют как среднее арифметическое результатов трех определений, произведенных на данном образце.
5.7. Удельную теплоемкость материала в интервале температур (tв - tр) определяют по трем образцам.
5.8. Относительная погрешность определения удельной теплоемкости по данной методике не превышает 5 %.
СОДЕРЖАНИЕ
|
1. Общие положения. 1 2. Аппаратура. 2 3. Подготовка к испытанию.. 3 4. Проведение измерений. 4 5. Обработка результатов измерений. 4 |




